| Availability: | |
|---|---|
| Quantity: | |
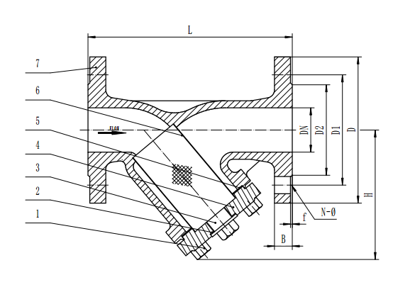
| NO. | Name Part | Materials |
| 1 | Bonnet Bolt | ASTM A193B8M |
| 2 | Sealing Ring | Copper Alloy |
| 3 | Drain Plug | A182 F316 |
| 4 | Cover | A182 F316 |
| 5 | Complex Gasket | Graphite+SS316 |
| 6 | Filiter Screen | SS316 |
| 7 | Body | A351 CF8M |
| NO. | Name Part | Materials |
| 1 | Bonnet Bolt | ASTM A193B8M |
| 2 | Sealing Ring | Copper Alloy |
| 3 | Drain Plug | A182 F316 |
| 4 | Cover | A182 F316 |
| 5 | Complex Gasket | Graphite+SS316 |
| 6 | Filiter Screen | SS316 |
| 7 | Body | A351 CF8M |
: +86-158-5327-1786
: info@cyunionvalve.com
: RM518,RuiHua Building,
NO.55,Bangkok Road,China
(ShanDong)Pilot Free Trade
Zone QingDao Area
